西安西驰电气股份有限公司(证券代码831081),成立于2002年,是一家专业从事电力电子产品研发、制造、销售的高新技术企业。
了解更多
控制策略较简单,可采用变周期周波模式,克服移相模式功率因数低、对电网污染大等缺点。变周期周波控制方式,负载电流以全正弦波为单位均匀分布。本产品的变周期周波控制方式专为这种负载设计的。
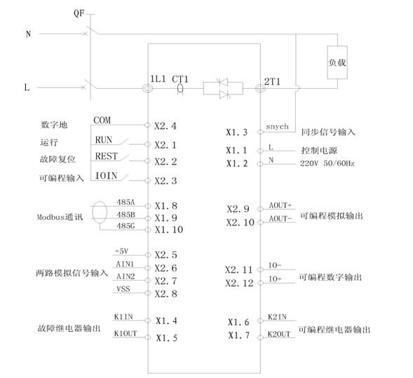
1、控制接线图:
2、控制信号类型设置
本例控制信号
模拟输入口1:B00输入信号=DC0~20mA
3、参数设置
对于阻性负载, A08参数项中的11种控制方式均适合。
本例中使用A08中的【7.变周期周波模式】控制方式,变周波波形图见图5.1。
4、操作
在启停选择方式A00参数为【通讯】状态下,按下【运行】键,控制器开始运行,运行指示灯【RUN】闪烁(若选择A00参数中的【端子】启停方式时,将X2.1与X2.4短接,控制器开始运行,运行指示灯【RUN】闪烁);
拨码开关拨至“ON”端,给定信号来源于模拟输入口1 DC0~20mA(B00参数项)电流给定信号,输出电压随给定的大小变化;
运行过程中通过键盘可查阅给定、控制方式等参数;
修改A21参数,可改变变周波精度(50~1000);
按下【停止】键,进入停机状态,等待下一次运行启动;
故障时,控制器停止运行,OLED显示屏显示故障名称,故障指示灯【FAULT】亮,检查故障原因,故障解除后可根据显示屏提示,按【确认键】进行复位或选择B03参数中的【0.故障复位】。
Copyright © 2019 西安西驰电气股份有限公司 保留所有版权