西安西驰电气股份有限公司(证券代码831081),成立于2002年,是一家专业从事电力电子产品研发、制造、销售的高新技术企业。
了解更多
一、基本接线原理图:
软起动器端子1L1、3L2、5L3接三相电源, 2T1、4T2、6T3接电动机。无需外接旁路接触器,软起动器可通过参数设定选择是否检测相序。
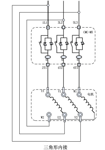
二、三角形内接连接图:
若用户使用三角形内接连接时,用户必须严格按照下图进行连接,否则有可能导致电机或软起损坏。本机在启动前会对电机接线进行判断,若接线错误软起会报接线错误故障。
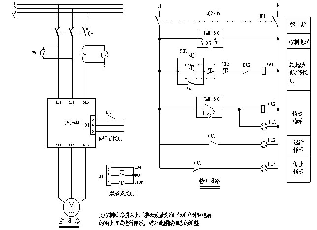
三、典型应用接线图:

注意:
1、上图所示为单节点控制方式。接点闭合软起动起动,接点打开软起动器停止。但要注意这种接线LED面板起动操作无效。端子3、4、5起停信号是一个无源节点。
2、PE接地线应尽可能短,接于距软起动器最近的接地点,合适的接地点应位于安装板上紧靠软起动器处,安装板也应接地,此处接地为功能地而不是保护接地。
Copyright © 2019 西安西驰电气股份有限公司 保留所有版权