西安西驰电气股份有限公司(证券代码831081),成立于2002年,是一家专业从事电力电子产品研发、制造、销售的高新技术企业。
了解更多
一、植毛机概述
植毛机主要用于各种刷制品例如牙刷、头梳、钢丝刷、水果清洗机辊刷、磨毛毛刷辊等产品的植毛加工设备。为手摇式植毛机,后来发展为电动植毛机,随着自动化的发展,现在已经开发出来各种电脑数控高速植毛机。数控植毛机根据加工产品的植毛形状可以分为两轴数控植毛机、三轴数控植毛机、四轴数控植毛机、五轴数控植毛机。植毛机的配套设备有:钻孔机、剪毛机、磨毛机、打花机。
二、工作原理和结构
机械部分主要分为:机头、机身、夹具三部分。
机头是植毛机的主要机械部分,植毛的主要动作:取毛、切线、铁线成型、铁线扎住刷丝、将刷丝植入孔内。机头主要通过连杆、凸轮结构实现以上主要动作。
机身是植毛机的主要架构,用于安装机头、电机、丝杆、工作台、夹具。
夹具是用于安装加工产品的装置,根据不同的产品,不同的工艺,设计不同的夹具。
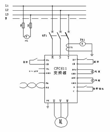
控制系统目前市场上数控植毛机基本上都采用伺服马达或步进电机驱动,配备伺服驱动器或者变频器进行控制。
三、应用方案
选用西驰电气CFC611Z系列植毛机专用变频器,带动导轮电机做植毛动作,通过触摸屏与变频器通讯,控制器给定0~10V的模拟电压信号控制频率和转速,实时监控植毛动态,避开中间控制环节,以求的植毛工艺。

动态响应快,加减速时间可设置为0.01S,能充分满足快起快停的生产工艺;
模拟量输入控制精度高,比例线性特性优越;
输入电压范围宽,可达380VAC±15%;
直流制动效果显著,满足停机或急停时的工艺要求,无延迟、滞后现象;
标配485通讯接口,可方便与上位机或触摸屏通讯连接操作;
机器体积小,方便安装,可适用于卡扣式安装;
键盘操作简便,只有监控和系统两个参数组,方便用户调试操作;
保护功能齐全:过压、欠压、过流、过载、输入输出缺相、过热、电流检测故障、接地、通讯故障等;
四、应用案例



Copyright © 2019 西安西驰电气股份有限公司 保留所有版权