西安西驰电气股份有限公司(证券代码831081),成立于2002年,是一家专业从事电力电子产品研发、制造、销售的高新技术企业。
了解更多
1、选择合适的外部熔断器:避免因内部短路对社流器件的损坏,变频器的型号确定后,若变频器内部整流电路前没有保护可控硅器件的快速熔断器.则变频器与电源之间应配置特合要求的熔断器和隔离开...
了解详情 +CMC-MX内置旁路软起动器故障代码表当软起动器保护功能动作时,软起动器立即停机,显示屏显示当前故障。用户可根据故障内容进行故障分析。显示状态说明处理方法STOP给出起动信号电机无...
了解详情 +1、软启动器的安装和维护需由合格的专业人员进行。2、严禁使用高压测试设备(如兆欧表)测试软启动器的绝缘。3、如果要求电动机可逆运行,可以在进线侧装一个反转接触器,注意不要装在软起动...
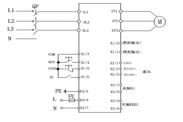
了解详情 +一、基本接线原理图:软起动器端子1L1、3L2、5L3接三相电源, 2T1、4T2、6T3接电动机。无需外接旁路接触器,软起动器可通过参数设定选择是否检测相序。二、三角形内接连接图...
了解详情 +在选择合适的功率控制器(电力调整器)之前我们必须知道的是它的作用是什么?我公司所推出的CPC功率控制器是通过对电压、电流和功率的精确控制,从而实现对负载的精密调节作用。并且凭借其先...
了解详情 +Copyright © 2019 西安西驰电气股份有限公司 保留所有版权